Test
Case P.M. Anderson Power SystemIntroduction
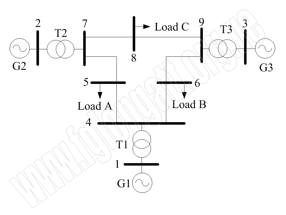
The WSCC
3-machine, 9-bus system which well-known as P.M Anderson 9-bus, contains 3
generators, 6 lines, 3 loads and 3 two winding power transformers.

Single line diagram of the P.M. Anderson test system
Full data
and details can be found on [1] [2].
[1] P. M. Anderson and A. A. Fouad,
Power System Control and Stability, 2nd ed. New York: IEEE Press, 2003.
[2] P. W. Sauer and M. A. Pai,
Power System Dynamic and Stability. New Jersey: Prentice Hall, 1998.
You can
send submissions, questions and requests to
fglongatt@fglongatt.org.ve.
tEST cASES

 |
IEEE Common Data Format (CDF) [Download]
[.txt File] |
 |
DIigSILENT PowerFactory [Download] |
 |
Powerworld [Download] |
 |
Power System Toolbox (PST) [Donwload [Donwload] |
 |
Power System Analysis Toolbox (PSAT)
[Download] |
|
|